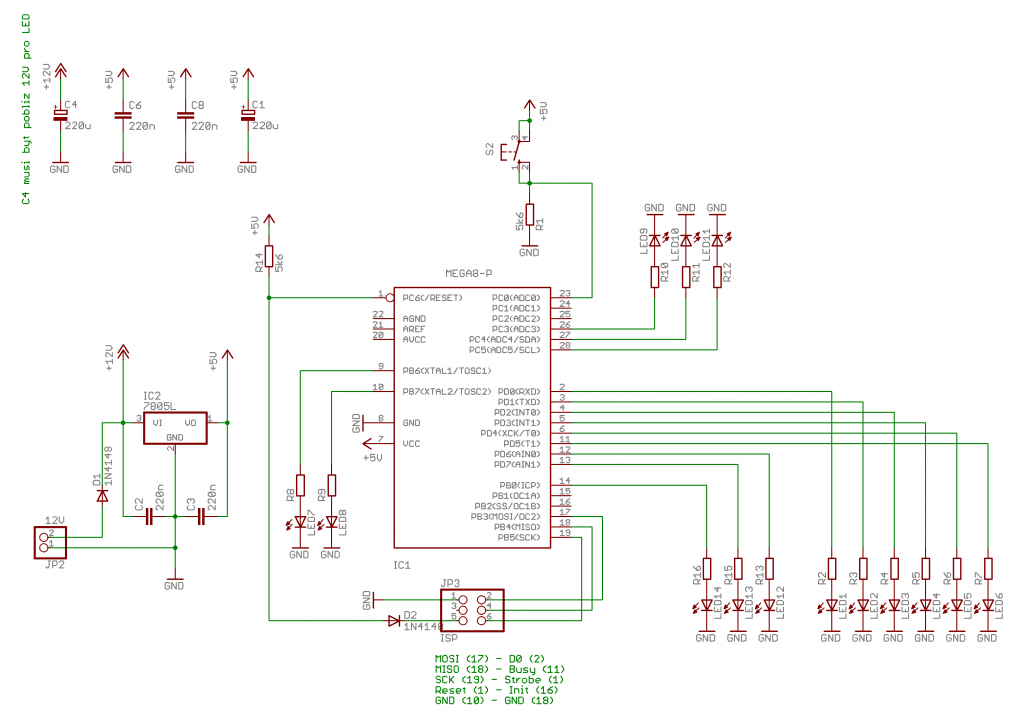
Blikající elektronická šipka - Schéma

Blikající elektronická šipka - Schéma